Nové produkty
PŘEVODOVKA ERC02 PRO ELEKTRICKÝ MOTOR MS80 (0.55-0.75KW) POMĚR 24:1
Popis:
Převodovky ERC se používají v kombinaci s elektrickými motory. Převodovky ERC jsou navrženy na základě modulárního systému. Můžeme připojit různé typy motorů (klasické, frekvenční, brzdové ...). Používá se v aplikacích, jako je stavebnictví, potravinářský průmysl (mlýnky na maso ...), pohonné řemeny (válce, ..) a další.
Převodovka snižuje otáčky elektrického motoru na hodnotu, se kterou chceme pracovat. Převodovky mají poměr 25:1.
Při instalaci převodovky vždy zajistěte, aby:
- data na typovém štítku odpovídala datům objednaného zboží
- skříň a hřídele byly čisté a nepoškozené
- povrch, na který je převodovka připevněna, byl rovný a dostatečně pevný
- převodovka a hřídel elektrického motoru dobře pasovaly
- pokud existuje možnost vibrací nebo zaseknutí, musí být nainstalován omezovač kroutícího momentu
- otáčející se části jsou zakryty plastovými kryty
- zařízení používané venku musí být adekvátně chráněno proti povětrnostním vlivům
- prevádzkové podmínky nezpůsobují korozi (pokud není předem dohodnuto a převodovka a elektrický motor jsou řádně připraveny)
- ozubená kola, hřídelové ozubené kola, vstupní/výstupní hřídele jsou řádně zabezpečeny, aby se nestaly radiálními nebo axiálními zatíženími, která překračují maximální povolený limit
- všechny spojky jsou potaženy antikorozním materiálem, aby se zabránilo oxidaci při kontaktu
- všechny upevňovací šrouby musí být bezpečně utaženy
- neutahujte nohy skříně a montážní příruby proti sobě a zajistěte, abyste dodržovali povolené radiální a axiální zatížení.
- Před spuštěním zkontrolujte úroveň oleje doporučenou pro namontovanou polohu. Šroub pro kontrolu a vypouštění oleje a odvzdušňovací ventil jsou snadno přístupné.
- Nikdy neútočte kladivem na kladky, spojky, ozubená kola atd. na konci hřídele. To poškodí ložisko, skříň a hřídel
Všechny výpočty jsou založeny na elektrických motorech s 1400 otáčkami. Pokud používáte elektrický motor s jinou rychlostí než 1400 otáček za minutu, vydělte vstupní otáčky poměrem převodovky, abyste získali výstupní otáčky.
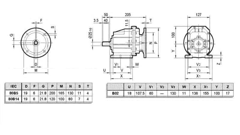
Další technické údaje naleznete v příloze 'ROZMĚRY - DATOVÝ LIST'.


%20RAZMERJE%2024proti1.jpg)
%20RAZMERJE%2024proti1.jpg)
%20RAZMERJE%2024proti1.jpg)
%20RAZMERJE%2024proti1.jpg)


