Uudet tuotteet
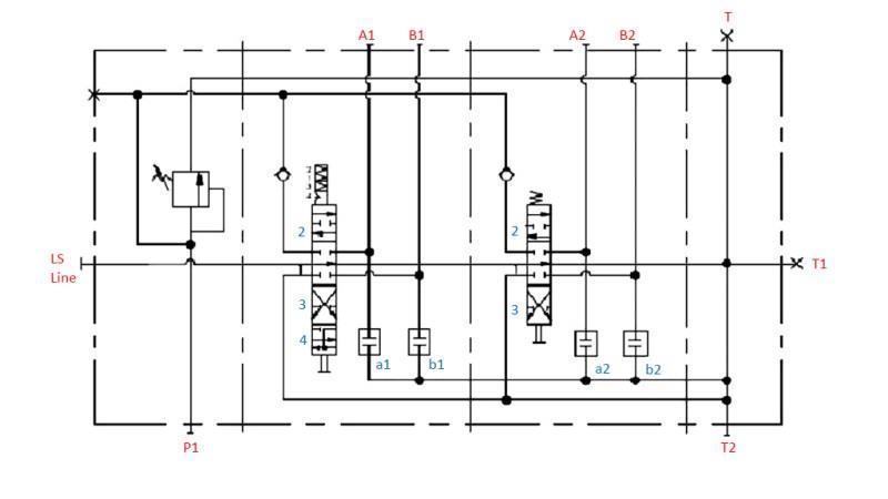
HYDRAULINEN KONTROLLIVENTTIILI 2XP90 L/MIN KUORMANTUNNISTUS
Tuotekoodi:
13989
OEM:
9990000154968
Verokanta
22 %
Hinta ilman ALV:tä:
348,36 EUR
Hinta ALV:n kanssa:
425,00 EUR
Ref:
11
Kuvaus:
Kuormantunnistustoiminnolla varustettu hydraulinen kontrolliventtiili on tarkoitettu etukuormaimen ohjaamiseen. Siinä on kaksi osiota, jotka mahdollistavat kaksisuuntaisten hydraulisylinterien ohjauksen. Kontrolliventtiili on liitetty joystick - kuormantunnistus toimintaan.
Toimittaja:
Espanja
max. työpaine:
250 bar
Palautus tai vaihto:
14 päivää
Tuotteen paino:
13,50 kg
nimellinen virta:
90 l/min
Takuu:
6 kuukautta
paluu paine:
max. 10 bar







