Novi proizvodi
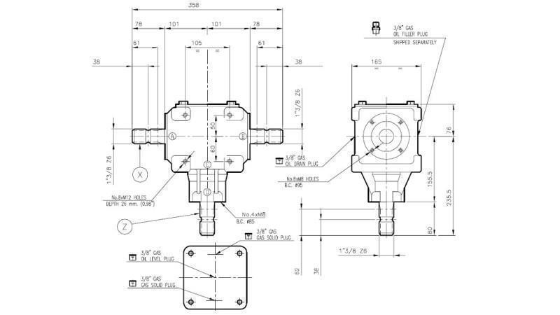
KUTNI REDUKTOR T-27J 1:1 (55HP-40,4kW)
Šifra:
11403
OEM:
9990000019557
Stopa poreza
22 %
Cijena bez PDV:
311,48 EUR
Cijena sa PDV:
380,00 EUR
Ref:
16
Vračanje ili mjenjanje:
14 dana
Sredstvo za podmazivanje:
u reduktor je potrebno sipati ulje SAE 90-1,2 lit.
Rotacija reduktora:
lijevi/desni ( zavisi od montaže reduktora )
Koda proizvođača:
9.267.806.10
Max. opterečenje:
55 KS (40,4kW )
Izlazna osovina:
kardanska ( 1"3/8-6 zubi )
Tip reduktora:
T-27J 1:1 ( 55Ks-40,4kW )
Podmazivačko sredstvo:
potrebno je uliti ulje SAE 90 1.2 litara u reduktor.
Ulazna osovina:
kardanska ( 1"3/8-6 zubi )


.jpg)
.jpg)
.jpg)




