Nuovi Prodotti
MOLTIPLICATORE GR.3 - 1:3 - GIUNTO MASCHIO (INGRESSO) / GIUNTO MASCHIO (USCITA)
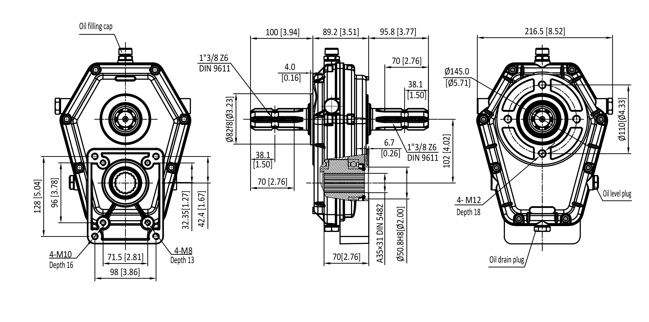
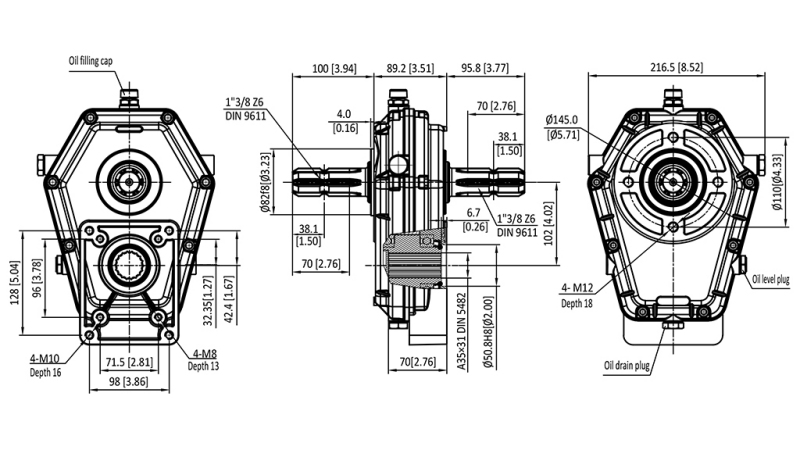
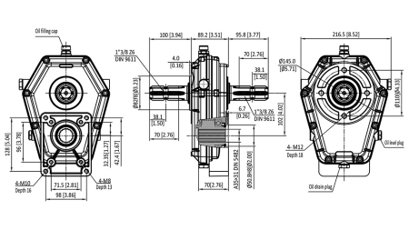
| Informazioni tecniche | |
| Fornitore: | Cina |
| Reso o cambio: | 14 giorni |
| Garanzia: | 6 mesi |
| Rapporto di trasmissione: | 1:3 |
| Per pompe idrauliche: | GR. 3 |
| Connessione: | Albero presa di forza su entrambi i lati - 1" 3/8 – 6 scanalature (maschio) |
| Velocità in ingresso: | 540 giri/min |
| Coppia in ingresso: | 49 daNm |
| Velocità in uscita: | 1620 giri/min (max. 3000 giri/min) |
| Coppia in uscita: | 16 daNm |
| Carico: | fino a 20 kW |
| Peso prodotto: | 8,3 kg |
| Lubrificante per ingranaggi: | Olio SAE 90 |
DIMENSIONI

ISTRUZIONI PER L'USO
1. Uso previsto
Il cambio è una trasmissione meccanica che aumenta la velocità di rotazione dell'albero in uscita e consente il funzionamento di una pompa idraulica a ingranaggi tramite l'albero PTO del trattore.
È utilizzato per azionare:
- gruppi idraulici,
- argani forestali,
- spaccalegna,
- altra attrezzatura idraulica.
2. Posizione d'installazione
Il cambio deve essere installato nella corretta posizione di funzionamento per garantire la lubrificazione adeguata degli ingranaggi. Si raccomanda un'installazione orizzontale, quindi la pompa e il cambio devono essere allineati orizzontalmente.
Importante:
- il cambio deve sempre essere installato in modo che l'olio all'interno dell'involucro sia a contatto con gli ingranaggi,
- non è consentito il funzionamento prolungato in posizione invertita,
- il cambio deve essere supportato meccanicamente (non deve pendere solo sull'albero PTO).
3. Direzione di rotazione
Prima dell'installazione, verificare la direzione di rotazione dell'albero PTO e la direzione di rotazione richiesta della pompa idraulica.
Una direzione di rotazione errata può causare danni alla pompa, guasti delle tenute e scarsa circolazione dell'olio.
4. Lubrificazione con olio
Il cambio deve essere lubrificato continuamente con olio all'interno dell'involucro per garantire il corretto funzionamento degli ingranaggi. Il lubrificante consigliato è olio per ingranaggi SAE 90.
Il cambio deve essere riempito con olio fino al livello di controllo.
Prima del primo utilizzo, rimuovere il tappo di riempimento, riempire l'unità con olio fino alla tacca di livello e richiudere il tappo.
Prima di ogni utilizzo, controllare il livello dell'olio. La prima sostituzione dell'olio è consigliata dopo 50 ore di funzionamento, successivamente ogni 1500 ore di funzionamento o una volta all'anno.
5. Temperatura di funzionamento
La temperatura di esercizio normale dell'involucro del cambio è compresa tra 50 e 80°C. Se supera i 90°C, verificare il livello dell'olio, il carico e l'allineamento.
6. Manutenzione e problemi possibili
| Problema | Possibile causa | Soluzione |
| Surriscaldamento | Livello olio insufficiente | Controllare il livello dell'olio |
| Rumore | Cuscinetti usurati | Manutenzione |
| Vibrazioni | Allineamento errato | Controllare l'installazione |
| Perdita di olio | Tenuta danneggiata | Sostituire la tenuta |









