Nye artikler
HYDRAULIKKPUMPE 10A6.1X179 GR.1 - 6,1cc - VENSTRE
Kode:
14770
OEM:
9990000178995
Skattesats
22 %
Pris uten MVA:
1.051,35 NOK
Pris med MVA:
1.282,65 NOK
Ref:
0
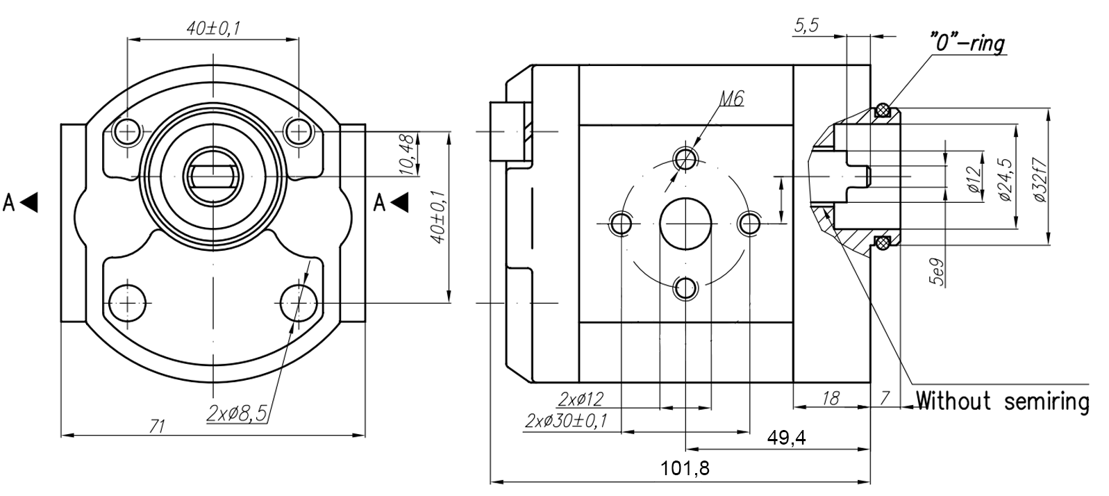
| Teknisk informasjon | |
| Leverandør: | Turkiye |
| Retur eller bytte: | Ikke mulig |
| Garanti: | 6 måneder |
| Modell: | 10A6.1X179 |
| Rotasjonsretning: | Venstre (A) |
| Slagvolum: | 6,1 cm3/omdreining |
| Størrelse: | GR.1 |
| Hastighet: | maks. 2500 o/min |
| Port-/tilkoblingstråd: |
Inntak (M = M22x1,5, G = G 1/2", UNF = 7/8"-14 UNF), utløp (M = M18x1,5, G = G 3/8", UNF = 3/4"-16 UNF) |
| Nominelt trykk: | 200 bar |
| Flow rate: | 8,69 l/min ved 1500 o/min og 14,49 l/min ved maks. o/min |
Beskrivelse
Hydrauliske pumper er en nøkkelkomponent i ethvert hydraulisk system, da de omdanner mekanisk energi til hydraulisk energi. De brukes i mange ulike applikasjoner som landbruksmaskiner, anleggsmaskiner, industrielle enheter og transportsystemer.
I vårt tilbud finner du høykvalitets girhydrauliske pumper i forskjellige størrelser (GR), slagvolumer og konfigurasjoner, som sikrer pålitelig drift, lang levetid og enkel montering. De gir stabil oljestrøm, høy effektivitet og minimale tap, noe som bidrar til optimal ytelse for hele systemet.
Dimensjoner










