Nye artikler
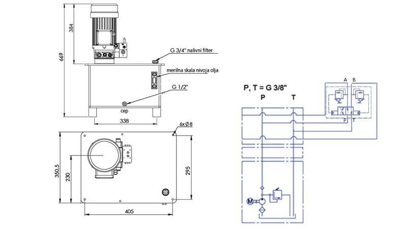
HYDRAULISK POWER-PACK -RHA- 25lit FOR BARN TRANSPORTER
Kode:
20576
OEM:
9990000048670
Skattesats
22 %
Pris uten MVA:
7.885,17 NOK
Pris med MVA:
9.619,91 NOK
Ref:
11
Beskrivelse:
Den hydrauliske power-packen for barn transporteren er en frittstående enhet som genererer hydraulisk trykk ved hjelp av en elektrisk motor for å drive barn transporteren.
Motoreffekt:
4kW
pumpeflow:
8 cc
aggregatflow:
12 liter/min
volum av tank:
25 liter
maks. arbeidstrykk:
120 bar
ventil:
RHA - kort ventil
Retur eller bytte:
ikke mulig
Omdreiniger:
1500 rpm
spenning:
380V






