Nye artikler
MANUELL HYDRAULISK VENTIL MONOBLOKK 1xZ50 + ENKELTVIRKENDE C1
Generell beskrivelse:
Manuell eller mekanisk hydraulisk ventil Р40 er designet for distribusjon og kontroll av arbeidsstrømmen mellom hydraulikkpumpen og forbrukerne (sylindere, hydrauliske motorer…).
Hydrauliske ventiler brukes til ulike formål i landbruk, industri, bygging, osv. for å kontrollere:
- enveis sylindere
- toveis sylindere
- hydrauliske motorer
- flytende funksjoner (for plog)
- joysticks (opp-ned, venstre-høyre)
De er samlet i en blokk fra 1 til 7 spaker.
Drift:
Alle hydrauliske ventiler er utstyrt med en sikkerhetsventil. I nøytral posisjon (spak i midten) sirkulerer olje gjennom ventilen. Når spaken flyttes til den ene eller den andre siden, får den hydrauliske ventilen sylinderen til å bevege seg eller den hydrauliske motoren til å rotere i en retning eller den andre. Etter å ha sluppet spaken, returnerer den automatisk til nøytral posisjon, den hydrauliske motoren eller sylinderen stopper i den nåværende posisjonen, og olje sirkulerer igjen gjennom ventilen. Bruken av et såkalt 'lukket senter' element er mulig, som endrer ventilen slik at i nøytral posisjon sirkulerer ikke olje gjennom ventilen eller en slik ventil er ikke lenger flytende. Når man bruker eller kobler til andre ventiler, er det nødvendig å bruke 'carry over' elementet, som tillater tilførsel av olje til andre ventiler.
I ventiler med spindler for flytende funksjon, tillater det sylinderen fri flyt av olje, noe som konsekvent betyr at sylinderen beveger seg fritt (eller snøplogen tilpasser seg terrenget).
Ventiler med spindler for enveis sylindere er ment for enveis sylindere.
Konstruksjon:
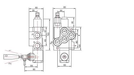
Р40 er en monoblokk distribusjonsventil. Den er laget av støpejern EN-GJL300. Spindlene er laget av karbonstål og er hardkrombelagt.
Tilkoblinger:
Spindelen er skrudd med to M8 skruer.







