Új termékek
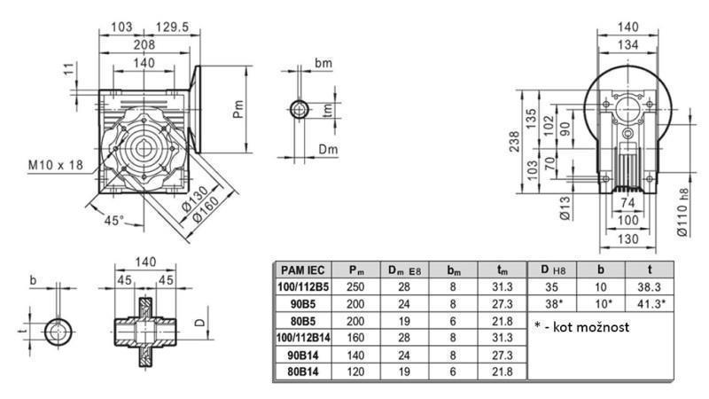
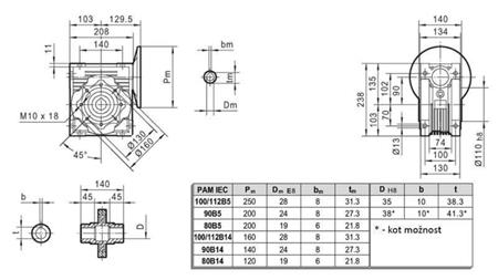
PMRV-90 ELEKTROMOTOR HAJTÓMÜHÁZ MS90 (1,1-1,5kW) SZORSZÁS 40:1
Kód:
13288
OEM:
9990000092888
Adó mértéke
22 %
Ár áfa nélkül:
75.458,36 HUF
Ár áfával:
92.059,19 HUF
Ref:
1
További leírás:
|
elektromotor |
hajtómüház |
kimenő erő M2 [Nm] |
bisztonsági faktor - SF |
|---|---|---|---|
|
1,1kW (MS90) |
RV-90 |
222 |
1,6 |
| 1,5kW (MS90) | 303 | 1,2 |
Szállító:
Lengyelország
Visszatérés vagy csere:
14 nap
Arány:
40 : 1
Termék súlya:
13 kg
Kimeneti fordulatszám:
35 ford/perc
Garancia:
1 év
az elektromos motor bemeneti fordulatai:
1400 rpm







