Produse Noi
DRIVE FOR HYDRAULIC PUMP - ISUZU MOY CR VACUUM
Cod produs:
12891
OEM:
9990000081240
Rata impozitului
22 %
Preț fără TVA:
1.271,28 RON
Preț cu TVA:
1.550,96 RON
Ref:
1
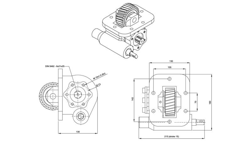
Descriere:
Acționările sunt potrivite pentru vehicule comerciale unde este necesară instalarea unei pompe hidraulice. Instalarea unei pompe din fontă este posibilă:
ISO (pumpă pentru atașare cu trei (3) șuruburi)
UNI (pumpă pentru atașare cu patru (4) șuruburi)
Compatibil cu cutii de viteze de tip:
MOY-9F / MOY-9H / MOYCR
Potrivit pentru vehicule: Isuzu
4.3 NP 66-71-75-77 ISUZU CHAMPION (2005-2006) / NKR 250 / NKR 66 E2L
Furnizor:
Turcia
Type:
ISO (3 șuruburi)
Returnare sau schimbare:
14 zile
cuplu:
225 Nm
control:
vid
Revoluții:
1000 rpm
greutatea produsului:
13 kg
Garanție:
6 luni
montare:
stânga
Load:
14.2 Cp (10.6 kW)
raport de transmisie:
1:1.03






