Produse Noi
VALVĂ PROPORȚIONALĂ PENTRU ÎNCĂRCĂTORUL AL TRACTORULUI - OPEN CENTER LVM92 EHP
| Informații tehnice | |
|
Furnizor: |
Türkiye |
|
Returnare sau schimb: |
14 zile |
|
Garanție: |
6 luni |
|
Tip: |
OPEN CENTER |
|
Presiune de lucru: |
250 bar |
|
Debit nominal: |
90 litri/min |
|
Filet conexiune: |
1/2" |
|
Nr. de secțiuni: |
2 |
Descriere
LVM92-EHP este o supapă monobloc proiectată pentru încărcătoarele frontale ale tractorului, oferind caracteristici excelente de funcționare proporțională și instalare ușoară. Are un debit de până la 90 l/min și o presiune de funcționare de până la 250 bar.
Supapa oferă control complet electro-proporțional, inclusiv funcția plutitor, indiferent de sarcină și condițiile de operare.
Kit-ul include supapa, un joystick de control proporțional și cablajul electric.
Aplicație

Pentru funcționarea corectă a sistemului, urmați cu atenție toți pașii de mai jos:
- Faceți conexiunile conform celor prezentate mai sus.
- Asigurați-vă că acumulatorul hidraulic este conectat corect.
- Verificați ca presiunea la intrare să nu depășească 250 bar.
- Asigurați-vă că debitul nominal este de 90 l/min.
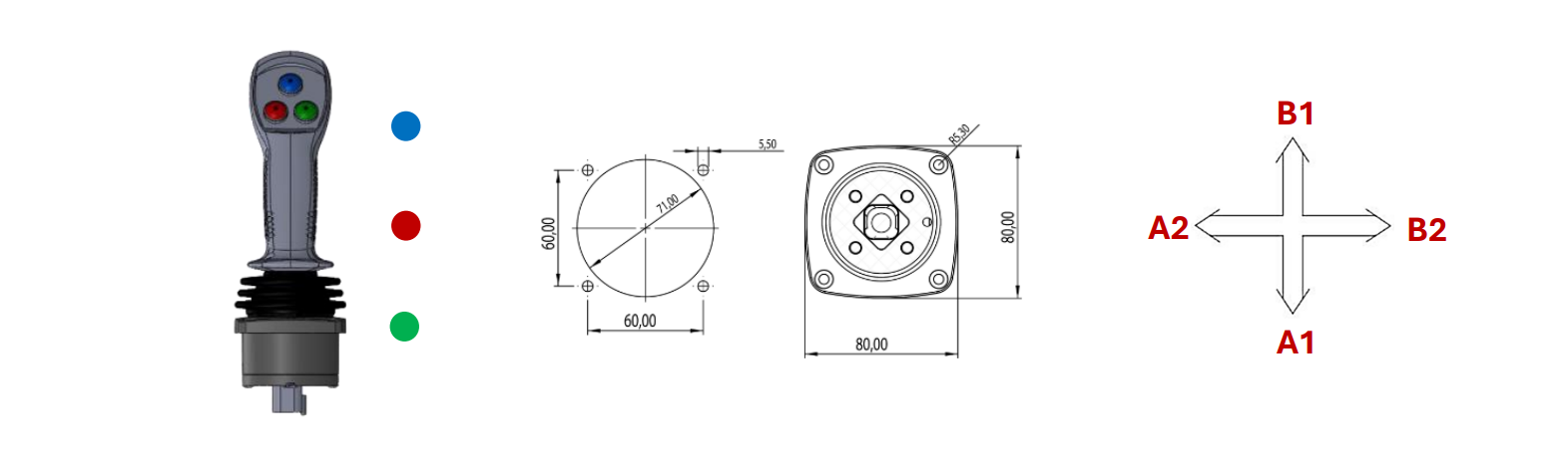
- Verificați ca conexiunile pe porturile B1, A1, A2 și B2 să fie corect realizate.
- Asigurați-vă că linia de drenaj (scurgere) este conectată corect.
- Verificați ca liniile T (rezervor) și P (presiune) să fie conectate și să funcționeze corect.

- Dacă aveți două supape în linia hidraulică, conectați ieșirea carry-over a primei supape la intrarea de presiune a celei de-a doua supape.
- Dacă folosiți o singură supapă, conectați ieșirea carry-over a acesteia direct la rezervor.


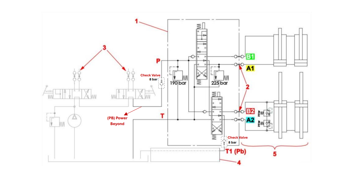
Diagrama arată un sistem hidraulic OPEN CENTER:
1. Supapă proporțională (LVM92 EHP) pe partea dreaptă a interfeței de cuplare.
2. Interfața pentru încărcătorul frontal al tractorului.
3. Supapele hidraulice deja instalate pe tractor pot fi folosite pentru alți consumatori.
4. Alte supape sau supape auxiliare.
5. Încărcătorul frontal al tractorului.
Trei linii hidraulice (P, T1, T) leagă supapa proporțională OPEN CENTER de sistemul hidraulic al tractorului:
- P – linie de presiune
- T – linie de retur (rezervor)
- T1 – linie de transmitere presiune (Power Beyond – „PB”) + supapă de reținere cu arc la 8 bar

Conectați supapa conform imaginii de mai sus:
- Asigurați-vă că tensiunea sistemului este de 12 V.
- Verificați ca firul de alimentare să fie conectat corect.
- Sistemul trebuie să includă un cablu de masă și o rezistență de 120 ohmi.
- După conectarea joystick-ului, verificați dacă ledurile ACAS se aprind verde.
- Verificați ca toate cablurile să fie fixate și conectate corespunzător.

- Buton ALBASTRU: supapă de comandă direcțională 6/2 (buton momentar)
- Buton ROȘU: funcția plutitor (buton cu blocare)
- Buton VERDE: lent/rapid (buton cu blocare)
Funcția plutitor: Mutați joystick-ul în direcția B1 (coborâre). În timp ce joystick-ul este în poziția B1, apăsați butonul plutitor (FLOAT) pentru a activa modul plutitor. Atenție: Nu efectuați această operație când încărcătorul este ridicat prea sus.









